MTB-Model, MP8 der impulsgesteuerte Weichenantrieb
• Kleinformat (30 x 42 mm)
• Motorischer Weichenantrieb mit Impulssteuerung, Ersatz für MP6
• Universeller Anschluss als elektromagnetischer Schalter
• Impulssteuerung
• 4 Hubstufen 3, 6, 9 und 12 mm
• 1x unabhängiger Schaltkontakt + 2x Rückmeldung
• Bequemer Einbau mit abnehmbarem Stecker
Der Hub ist in vier Stufen von 3, 6, 9 und 12 mm über die Position des Stifts im Halter einstellbar. Der Kupplungsmechanismus sorgt für ein sanftes Anfahren der Endposition und deren Arretierung.
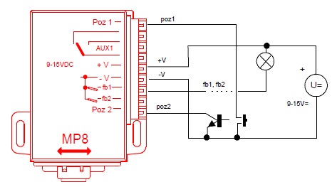
Der MP8-Weichenantrieb dient als Ersatz für den Standard-Zweispulen-Schalter, mit kurzer Impulssteuerung. Die Versorgungsspannung beträgt 9-14V DC, die permanent angelegt werden muss (+V und -V). Die Übergabe an die Endlage erfolgt über ein Speicherrelais, das durch einen kurzen Impuls (min 40ms) vom Steuergerät/Schalter betätigt wird. Die Impulseingänge sind zwei POS1,POS2, durch Schalten des Eingangs auf Spannung -V (gemeinsamer Nullpunkt) wird die Bewegung gestartet. Die Elektronik des Schiebers sorgt für eine sanfte Umschaltung und Fahrt in die Endlage, auch wenn der Steuerimpuls bereits verstrichen ist. Die Ausgänge (fb1, fb2) sind zur Signalisierung der Endlage des Schalters mittels einer LED oder einer Glühlampe vorgesehen, diese Kontakte schalten nach Erreichen des Minuspols der Spannung (-V). Eventuell können die Ausgänge für die Elektronik als Rückmeldung der Geräteposition verwendet werden.
Für den zusätzlichen Einsatz ist der Antrieb mit einem potentialfreien Schaltkontakt mit einer Leistung von 1A ausgestattet. Endschalter und Relais sichern die Endschaltung auch nach Wiederkehr der unterbrochenen Spannungsversorgung.
Wichtiger Hinweis nach EU-Spielzeugrichtlinie:
Achtung, nicht für Kinder unter 14 Jahren geeignet! Funktionsbedingte scharfe Kanten und Spitzen. Erstickungsgefahr wegen abbrech- und verschluckbarer Kleinteile!